
交流固態(tài)繼電器-(SOLTD STATE RELAY)是一種四端有源器件,簡稱AC SSR。其中兩端為輸入控制端另外兩端為輸出受控端,中間采光用光電隔離,以實現輸入與輸出之間的電氣隔離(浮空)。當輸入端加上直流或脈沖信號,輸出端就能從關斷態(tài)轉變成導通態(tài),從而控制較大的交流負載。它屬于機電一體化高科技產品,由于直接提供了計算機的接口,因此在工業(yè)自動化領域得到了廣泛地應用。開關型式分為過零導通型和隨機導通型。
按產品特點和工藝特點分為:普通型S系列;增強型H系列;超導型CD系列三種;固態(tài)繼電器在使用時要配用合適的散熱器和半導體專用的快速熔斷器,并在散熱器和固態(tài)繼電器之間加上我公司特有的柔性導熱墊。









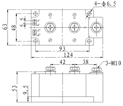
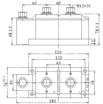
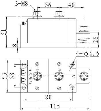
外形及安裝尺寸圖:

外形: Q1式 外形: Q2式

外形: Q3式